CSI: Sittingbourne was given a few valuable funded hours to carry out scanning electron microscopy (SEM) on a selection of interesting objects from the site. The availability of time for such analysis is valuable and CSI: Sittingbourne would like to give credit to Greenwich University science department for donating use of the SEM, as well as everyone who also helped out.

Despite the majority of volunteers not having any formal university training in conservation, they have shown themselves to be brilliant at discovering and identifying interesting things on there objects. In previous posts it has been mentioned that a great deal of mineral-preserved organics have been found and it was mainly these that were analysed further with the SEM.
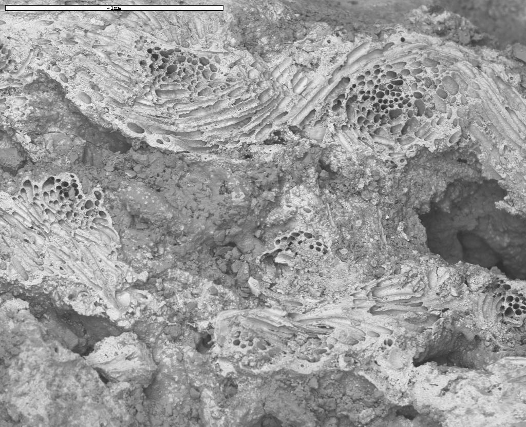
The Scanning Electron Microscope, or SEM, is an incredible tool for observing complex microstructures of materials. Where conventional light microscopes use a series of lenses to bend light waves and create a magnified image, SEM uses electrons instead to create images. These images are able to show in much more detail the complexity and topography of a surface, which can aid in the identification of various materials. Click the images to see full size.

As well as looking at the surface, SEM can also be used to find out the composition of materials. Metals such as copper alloy, for example, can be examined to establish what metals have been used, which can also inform us of the technology utilised in the manufacturing. X-ray fluorescence (XRF) was employed for the same application with the spearhead.

The images show intricate handmade wires and gilding, but also include insect wing casings, wool, pupae and textile.

The images have not only helped with the interpretation of the site and the objects, but have also provided new display in the CSI: lab. The enlarged pictures were put on display at the celebration day held in March and are still on display for visitors to CSI: Sittingbourne to see.

To find out more about SEM have a look at these links:
Hi Courtney – I’ve finally remembered to put a link onto our website to you. Could you do me a favour and send me a copy of an article or a bit of blurb and then I can devote a page to the CSI lab and link to you from there too. Current link’s at http://www.hrgs.co.uk/acatalog/Useful_Websites.html
Cheers 🙂
thanks Ginny 🙂